
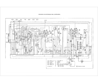
Marque :
Pathé-Marconi
Modèle :
VSM 451
Type appareil :
récepteur à transistors
