Retour à l'accueil
 
 
Recherche de schémas
Collection CD/DVD

Service schémathèque 

1 document correspond à votre recherche.

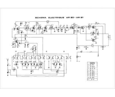
Caractéristiques de l'appareil
Marque :
Pathé-Marconi
Modèle :
AR 21
Type appareil :
auto-radio à transistors
1 document correspondant à cet appareil
Schéma Pathé-Marconi AR 20, Pathé-Marconi AR 21
6 pages.
Document présent dans Rétro-docs 7 Acheter
En ligne, disponible en téléchargement Télécharger
La consultation de cet espace schémathèque est en accès libre.