
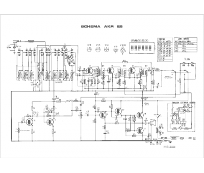
Marque :
Pathé-Marconi
Modèle :
AKR 25V
Type appareil :
auto-radio à transistors
