
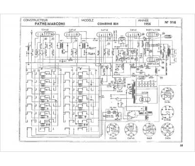
Marque :
Pathé
Modèle :
804
Type appareil :
récepteur à tubes
Année :
1956
Pays d'origine :
France
