
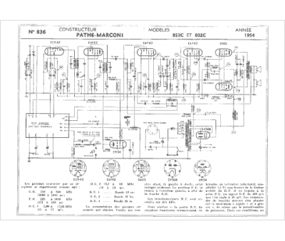
Marque :
Pathé
Modèle :
802 c
Type appareil :
récepteur à tubes
Année :
1954
Pays d'origine :
France
