
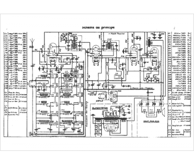
Marque :
Pathé
Modèle :
639
Type appareil :
récepteur à tubes
Année :
1939
Pays d'origine :
France
