
Marque :
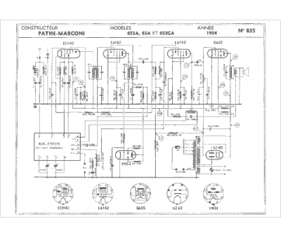
Pathé
Modèle :
63 a
Type appareil :
récepteur à tubes
Année :
1954
Pays d'origine :
France
