
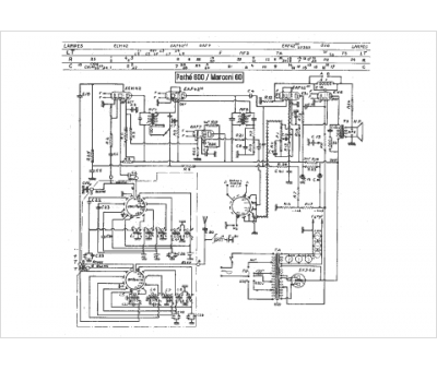
Marque :
Pathé
Modèle :
600
Type appareil :
récepteur à tubes
Pays d'origine :
France
