
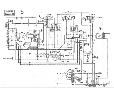
Marque :
Pathé
Modèle :
506
Type appareil :
récepteur à tubes
Année :
1948
Pays d'origine :
France
