
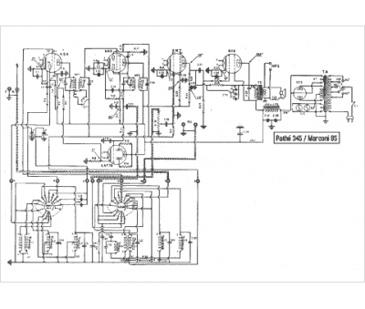
Marque :
Pathé
Modèle :
345
Type appareil :
récepteur à tubes
Année :
1947
Pays d'origine :
France
