
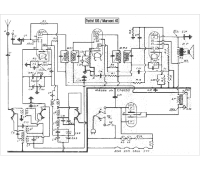
Marque :
Pathé
Modèle :
105
Type appareil :
récepteur à tubes
Pays d'origine :
France
