
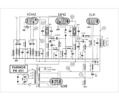
Marque :
Parinor
Modèle :
PN 451
Type appareil :
récepteur à tubes
Pays d'origine :
France
