
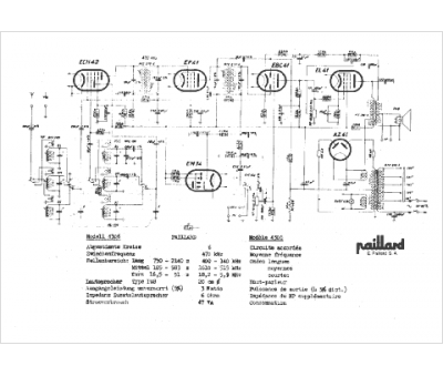
Marque :
Paillard
Modèle :
4306
Type appareil :
récepteur à tubes
Pays d'origine :
Suisse
