
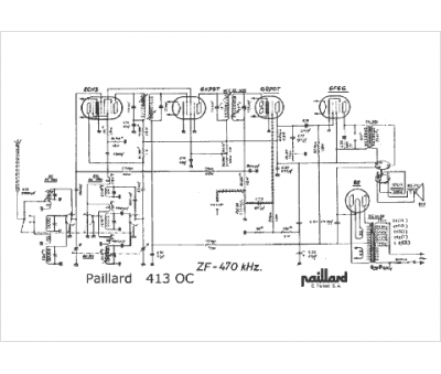
Marque :
Paillard
Modèle :
413 OC
Type appareil :
récepteur à tubes
Pays d'origine :
Suisse
