
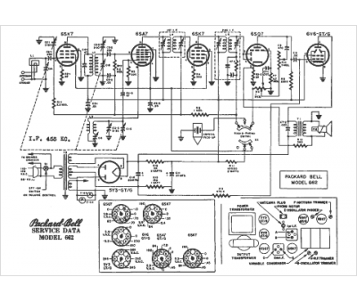
Marque :
Packard Bell
Modèle :
662
Type appareil :
récepteur à tubes
Année :
1947
Pays d'origine :
États-Unis
