
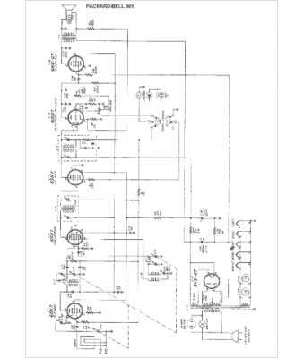
Marque :
Packard Bell
Modèle :
601
Type appareil :
récepteur à tubes
Année :
1950
Pays d'origine :
États-Unis
