
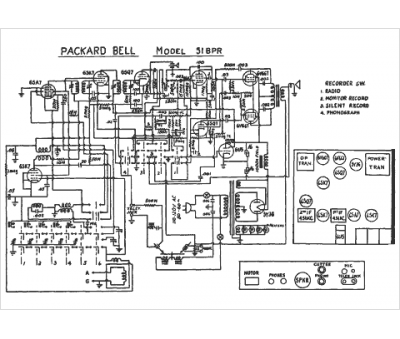
Marque :
Packard Bell
Modèle :
51BPR
Type appareil :
récepteur à tubes
Année :
1942
Pays d'origine :
États-Unis
