
Marque :
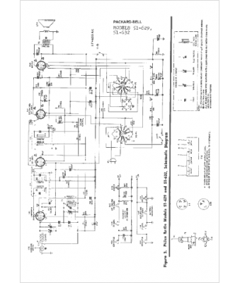
Packard Bell
Modèle :
51-629
Type appareil :
récepteur à tubes
Année :
1950
Pays d'origine :
États-Unis
