
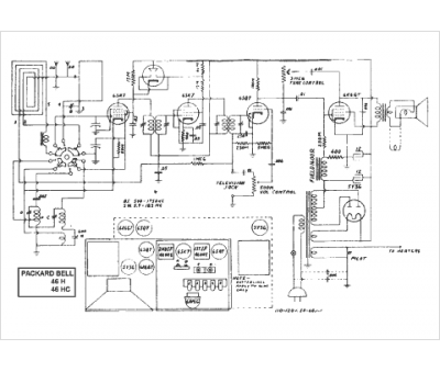
Marque :
Packard Bell
Modèle :
46-HC
Type appareil :
récepteur à tubes
Année :
1940
Pays d'origine :
États-Unis
