
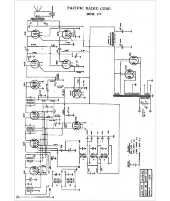
Marque :
Pacific
Modèle :
110
Type appareil :
récepteur à tubes
Année :
1937
Pays d'origine :
États-Unis
