
Marque :
P - Z
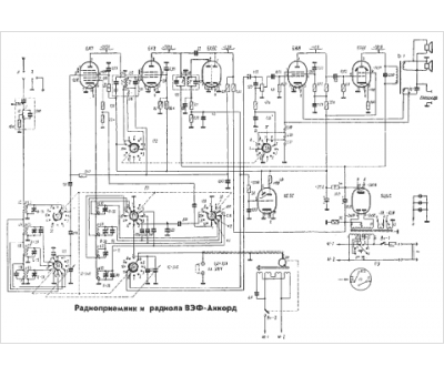
Modèle :
VEF-Akkord
Type appareil :
récepteur à transistors
Pays d'origine :
ex-U.R.S.S.
