
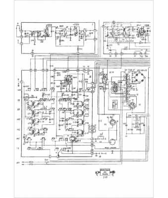
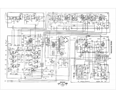
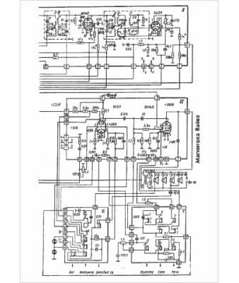
Marque :
P - Z
Modèle :
Vaiva
Type appareil :
magnétophone
Pays d'origine :
ex-U.R.S.S.
