
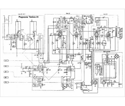
Marque :
P - Z
Modèle :
Tchaika M
Type appareil :
radio tourne-disque à tubes
Pays d'origine :
ex-U.R.S.S.
