
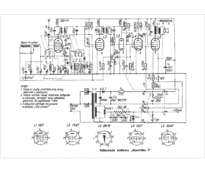
Marque :
P - Z
Modèle :
Szarotka 3
Type appareil :
récepteur à tubes
Pays d'origine :
Pologne, ex-U.R.S.S.
