
Marque :
P - Z
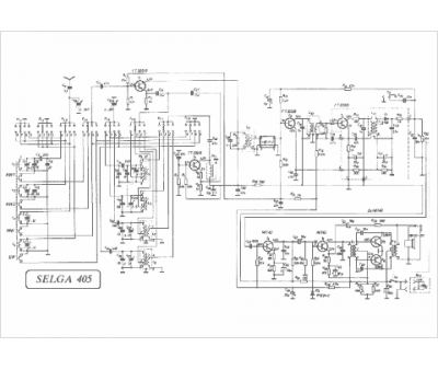
Modèle :
Selga 405
Type appareil :
récepteur à transistors
Pays d'origine :
Pologne, ex-U.R.S.S.
