
Marque :
P - Z
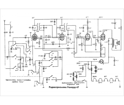
Modèle :
Rekord-47
Type appareil :
récepteur à tubes
Pays d'origine :
ex-U.R.S.S.
