
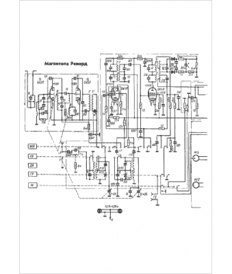
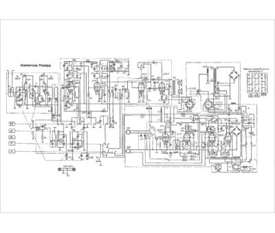
Marque :
P - Z
Modèle :
Rekord
Type appareil :
magnétophone
Pays d'origine :
ex-U.R.S.S.
