
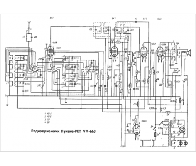
Marque :
P - Z
Modèle :
Pounane-RET VV-663
Type appareil :
récepteur à tubes
Pays d'origine :
ex-U.R.S.S.
