
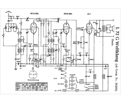
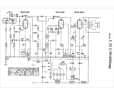
Marque :
Owin
Modèle :
Weltklang L72 G
Type appareil :
récepteur à tubes
Pays d'origine :
Allemagne
