
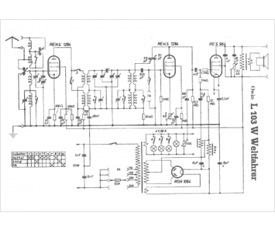
Marque :
Owin
Modèle :
Weltfahrer L103 W
Type appareil :
récepteur à tubes
Pays d'origine :
Allemagne
