
Marque :
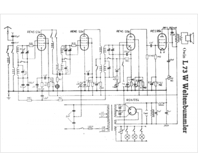
Owin
Modèle :
Weltenbummler L73 W
Type appareil :
récepteur à tubes
Pays d'origine :
Allemagne
