
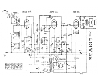
Marque :
Owin
Modèle :
Trix L101 W
Type appareil :
récepteur à tubes
Pays d'origine :
Allemagne
