
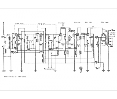
Marque :
Owin
Modèle :
R 52 G
Type appareil :
récepteur à tubes
Pays d'origine :
Allemagne
