
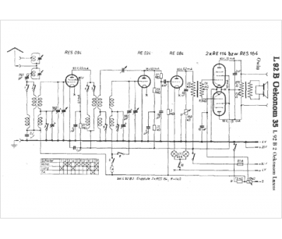
Marque :
Owin
Modèle :
Oekonom L92 B 35
Type appareil :
récepteur à tubes
Pays d'origine :
Allemagne
