
Marque :
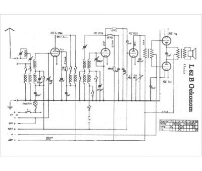
Owin
Modèle :
Oekonom L62 B
Type appareil :
récepteur à tubes
Pays d'origine :
Allemagne
