
Marque :
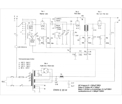
Owin
Modèle :
Lageplan E23W
Type appareil :
récepteur à tubes
Pays d'origine :
Allemagne
