
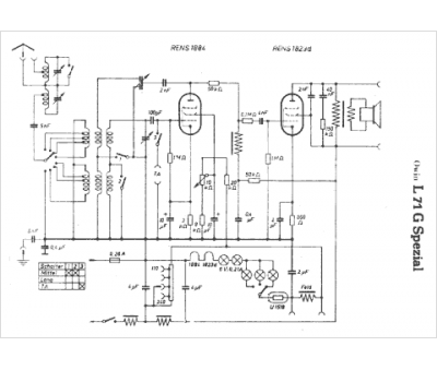
Marque :
Owin
Modèle :
L71 G Spezial
Type appareil :
récepteur à tubes
Pays d'origine :
Allemagne
