
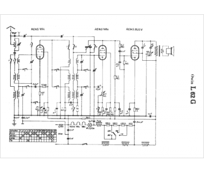
Marque :
Owin
Modèle :
L62 G
Type appareil :
récepteur à tubes
Pays d'origine :
Allemagne
