
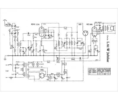
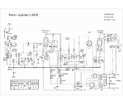
Marque :
Owin
Modèle :
Jubilar L92w
Type appareil :
récepteur à tubes
Pays d'origine :
Allemagne
