
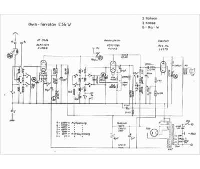
Marque :
Owin
Modèle :
Ferroton e56w
Type appareil :
récepteur à tubes
Pays d'origine :
Allemagne
