
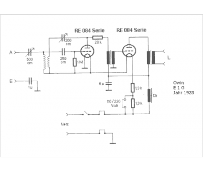
Marque :
Owin
Modèle :
E1 G
Type appareil :
récepteur à tubes
Pays d'origine :
Allemagne
