
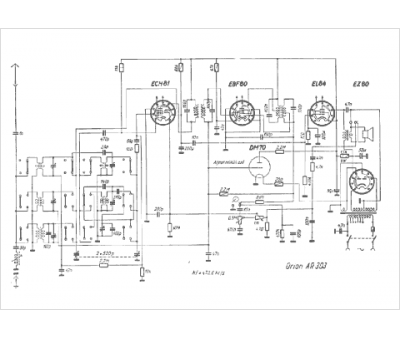
Marque :
Orion
Modèle :
AR 303
Type appareil :
récepteur à tubes
Pays d'origine :
Hongrie
