
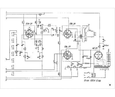
Marque :
Orion
Modèle :
820 A
Type appareil :
récepteur à tubes
Pays d'origine :
Hongrie
