
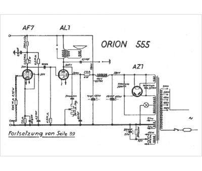
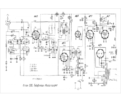
Marque :
Orion
Modèle :
555
Type appareil :
récepteur à tubes
Pays d'origine :
Hongrie
