
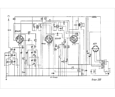
Marque :
Orion
Modèle :
320
Type appareil :
récepteur à tubes
Pays d'origine :
Hongrie
