
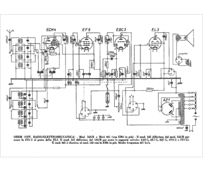
Marque :
Orem
Modèle :
542 R
Type appareil :
récepteur à tubes
Pays d'origine :
Italie
