
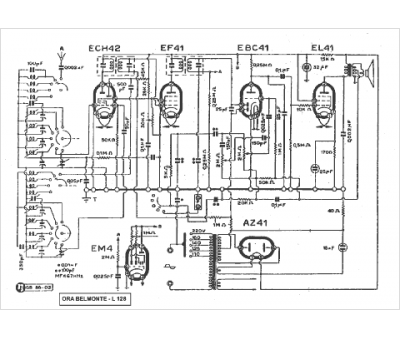
Marque :
ORA
Modèle :
L 128
Type appareil :
récepteur à tubes
Pays d'origine :
France, Italie
