
Marque :
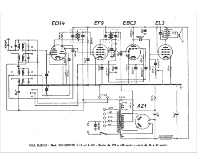
ORA
Modèle :
L 12
Type appareil :
récepteur à tubes
Pays d'origine :
France, Italie
