
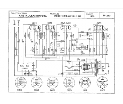
Marque :
ORA
Modèle :
Etoile 512
Type appareil :
récepteur à tubes
Année :
1952
Pays d'origine :
France, Italie
