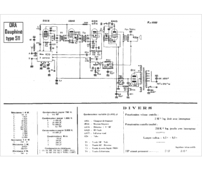
Marque :
ORA
Modèle :
Dauphiné 511
Type appareil :
Récepteur à tubes
Année :
1952
Pays d'origine :
France, Italie

